欢迎光临青羊区恒翔机电维修服务部网站!祝您生活愉快!
热线电话: 13518219792

发电机组维修

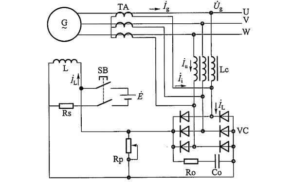
发电机电流叠加相复励恒压装置工作原理

发电机维修公司     发布时间:2023-11-02 14:06


p>发电机电流叠加相复励恒压装置工作原理



摘要:发电机电流叠加相复励恒压装置是按扰动控制原理实现自励恒压的典型励磁系统,完整的接线原理如图1所示。

发电机电流叠加相复励恒压装置.png

图1  电流叠加相复励恒压装置

主要元件及其作用

(1) TA——电流互感器:它输出与发电机负载电流İg大小成比例、相位相同的副边电流 İi(复励分量),以进行相复励调压。其原、副边皆有抽头可调,调整匝数可改变复励电流分量İi的大小,以整定发电机电压.

(2) LC——移相电抗器:将由发电机电压产生的电流移相90°为İu。İu作为电压分量,以进行自励起压。İu与İi合成,进行相复励。LC是一个具有气隙的三相铁芯电抗器,并且线圈具有抽头,调节气隙大小或线圈匝数,可改变电抗值大小,以改变İu的大小,整定空载电压Üg0。

(3) VC——三相整流器:将交流侧合成电流İl=İi+İu,整流成直流励磁电流IL,供励磁绕组L励磁。由于IL与İi具有固定的关系:IL=1.23Il,故以后对İl,也称为励磁电流。直流侧并联 R0、C0是VC过电 压保护元件。

(4) SB——充磁按钮、E——蓄电池、R——限流电阻,它们共同组成充磁环节。当发电机剩磁不足时,按此按钮,对磁极进行充磁,使发电机能自励起压。

该调压器所提供的励磁电流为两部分:一部分是由  发电机本身的电压,通过自励回路提供的自励电流İu,它为励磁电流IL的电压分量 ILu;另一部分是由发电机本身的负载电流İg,通过复励回路提供的复励电流İi,它为 IL的电流分量ILi。İu和İi是以电流的形式在VC交流侧相量叠加而成为İl,并经整流后形成总的直流励磁电流IL供励磁绕组L进行励磁。所以,该装置是电流叠加的相复励恒压装置。